文/北京集佳知識產權代理有限公司 趙曉榮
專利審查過程中,技術問題對于創造性判斷的重要性不言而喻。如果技術問題的提出對于某領域技術人員而言屬于非公知常識,則發現該技術問題對于該領域技術人員來說具有非顯而易見性。但是,如果專利申請提出的技術問題僅是就現有技術公開的技術問題換了一種陳述方式,實質技術方案卻與現有技術完全相同,此時技術問題是否能夠被視為帶來了創造性進而使專利申請獲得授權呢?
我國現行專利法第二十二條規定:創造性,是指與現有技術相比,該發明具有突出的實質性特點和顯著的進步,該實用新型具有實質性特點和進步。專利審查指南第二部分第四章規定:關于突出的實質性特點,發明有突出的實質性特點,是指對所屬技術領域的技術人員來說,發明相對于現有技術是非顯而易見的。如果發明是所屬技術領域的技術人員在現有技術的基礎上僅僅通過合乎邏輯的分析、推理或者有限的試驗可以得到的,則該發明是顯而易見的,也就不具備突出的實質性特點。關于顯著的進步,發明有顯著的進步,是指發明與現有技術相比能夠產生有益的技術效果。例如,發明克服了現有技術中存在的缺點和不足,或者為解決某一技術問題提供了一種不同構思的技術方案,或者代表某種新的技術發展趨勢。關于判斷方法,判斷要求保護的發明相對于現有技術是否顯而易見,通常可按照以下三個步驟進行:(1)確定最接近的現有技術;(2)確定發明的區別特征和發明實際解決的技術問題;(3)判斷要求保護的發明對本領域的技術人員來說是否顯而易見。
筆者接下來將模擬一種電路結構對比情況來分析技術問題在創造性判斷中所起的作用。
通常在涉電路結構專利審查中,如果電路結構完全一樣,則認為電路的工作原理相同,產生相同的作用和技術效果,屬于同樣的發明創造。那么,如果現有技術并沒有公開某專利申請所提出的技術問題,是否可以認為技術問題的提出本身具有創造性而給予授權呢?
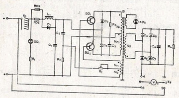
假設,有一發明專利(下稱假想專利)的名稱是“一種自激推挽式變換器”,其主要發明點是在兩個三極管的集電極之間連接“消除推挽三極管在上電時因特征頻率過高而產生正弦振蕩的高頻自激抑制電路”,主要實現方式如圖1所示在兩個三極管TR1和TR2的集電極之間連接電容C2。涉案專利所提出的技術問題是“上電時出現高頻振蕩,可能損壞三極管”,專利權人認為,發現上電時存在高頻振蕩是發明人利用特殊方式首次發現的技術問題,現有技術均未發現該技術問題,發明人的創造性貢獻就是發現了該技術問題。

圖1

圖2
再設,另有現有技術如圖2所示已經公開了與假想專利相同的電路圖。現有技術在推挽變換器的兩個三極管BG1和BG2的集電極之間連接串聯的R3和C2,這與假想專利的連接方式完全相同。現有技術所提出的技術問題是“產生的尖峰電壓會損壞晶體管”,為此,現有技術提出的解決路徑是“R3和C2組成能量吸收電路,因為電容上的電壓不會突變,因此,可以避免變壓器B的初級繞組產生尖峰電壓而損壞晶體管”。
需要強調的是,對于電工領域技術人員來說,尖峰電壓和高頻振蕩是等價的,兩者無法割裂為兩種不同的技術問題和結果。且抑制振蕩采用電容也是該領域技術人員的常規選擇,因為電容自身的特性便可以起到抑制振蕩的作用。
筆者認為,對于上述假設情況中這種結構與現有技術完全相同的電路方案,不宜認定因技術問題沒有被公開而具有創造性。在上述假設情況中,技術問題只不過被換了一種描述形式公開,其對于該領域技術人員而言實質上是相同的。照此案例,如果申請人在撰寫申請文件時僅更改技術問題,在技術問題的描述上大做文章,使用與現有技術記載的名詞不一致的方式來陳述技術問題,憑此認定技術問題的提出具有創造性,顯然是不合理的。這樣容易導致專利申請陷入純文字游戲,消磨掉科研工作者申請專利來保護新技術方案的熱情。